泊头市抖阴下载涩泵业有限公司

抖阴视频成人版污找抖阴下载涩泵业咨询电话:13931762407
热门点击:
   
公司动态 news
  KCB抖阴视频成人版污结构特点
KCB抖阴视频成人版污有齿轮,轴,泵体,安全阀,轴端密封(特殊要求,可选用磁力驱动,零泄漏结构)等组成.齿轮经热处理有较高的硬度和强度,与轴一同安装在可更换的轴套内运转.泵内全部零件的润滑均在泵.....
油泵产品列表  
抖阴视频成人版污
抖阴视频污免费在线观看下载
抖阴视频APP污网页
保温沥青泵
单螺杆泵
双螺杆泵
三螺杆泵
自吸式离心泵
渣浆泵
高粘度泵
化工泵
船用泵
磁力泵
渣油泵系列
 
 
产品中心 当前位置 > 抖阴下载涩泵业 > 产品展示 > 抖阴视频成人版污 >
 
  • 2CY不锈钢泵
  • -详细参数

2CY不锈钢抖阴视频成人版污转不动的原因:

2CY不锈钢抖阴视频成人版污输送的物料有大的杂质把齿轮卡死;抖阴视频成人版污间隙太小转动的时候温度过高,把抖阴视频成人版污的齿轮与齿轮爆死;抖阴视频成人版污的轴与轴承套爆死。
排除办法:拆开管路,把异物拿出;用工具慢慢盘车(转动)正反转动,把泵一端的螺栓轻轻松动,根据转动联轴器的松紧程度调节抖阴视频成人版污的端盖螺杆的松紧度。
不锈钢抖阴视频成人版污旋转不灵活的原因及解决办法:
1、工作油输出口被堵塞。清除异物。
2、不锈钢泵泵内有污物。解体以清除异物。
3、装配有误。抖阴视频成人版污两销孔的加工基准面并非装配基准面,如先将销子打入,再拧紧螺钉,泵会转不动。正确的方法是,边转动抖阴视频成人版污边拧紧螺钉,然后配钻销孔并打入销子。
4、抖阴视频成人版污与发动机联轴器的同轴度差。同轴度应在0.1mm以内。
5、泵内零件未退磁。装配前所有零件均须退磁。
6、轴向间隙或径向间隙太小。重新加以调整修配。

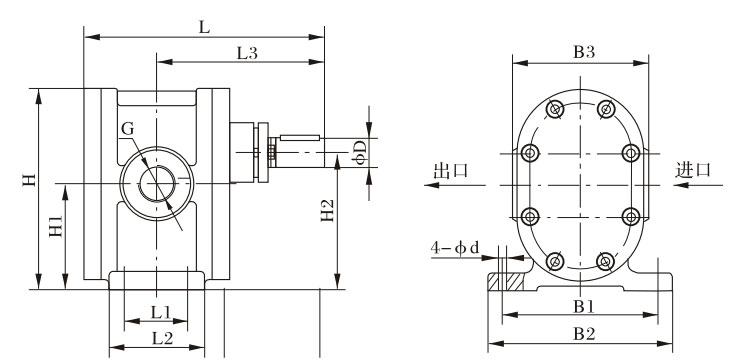
2CY型泵外型、安装尺寸

2CY型泵外型、安装尺寸

型号

LL1L2L3B1B2B3HH1H2GφD4-φd
2CY-1.08/2.5193.54575138.51141389513267.587G3/4"1810
2CY-2.1/2.5198.54878142.5124154110164.586112G1"1810
2CY-3/2.5198.54878142.5124154110164.586112G1"1810
2CY-4.2/2.52205888155160190140205107.5140G11/4"2812
2CY-7.5/2.52396598164.5160190140205107.5140G11/2"2812
2CY-12/2.5360106136257190220210256136178G2"3214


2CY-1.08~2CY-12/12.5整机外型、安装尺寸重量

2CY-1.08~2CY-12/12.5整机外型、安装尺寸重量


型号LL1L2L3L4HH1H2H3H4BB1B2B3B4GDn×φ

重量
Weight(kg)

2CY-1.08/2.558248633947.555290190145125.55829325719018095G3/4"φ364×φ1856
2CY-2.1/2.5586493344495630221015713145293257206180110G1"φ504×φ1863.5
2CY-3/2.5605499349495631021015713145333297206190110G1"φ504×φ1877.5
2CY-4.2/2.57205854205465373255190157.550368332242210140G11/4"φ704×φ18121
2CY-7.5/2.57806374486075378260195162.555368332242210140G11/2"φ704×φ18136
2CY-12/2.510208626167810346832124320165416380272255210G2"φ954×φ18173


2CY型抖阴视频成人版污性能参数


型号
流量
Q
转速
n
r/min
排出压力
p
Mpa
必需汽
蚀余量
)r
m
效率
η
%
电动机
m3/h
L/min

功率KW

型号
2CY-1.08/2.5
1.08
18
1420
2.5
9.5
58
2.2
Y100L1-4
2CY-2.1/2.5
2.1
35
1420
2.5
9.5
58
3
Y100L2-4
2CY-3/2.5
3
50
1440
2.5
9.5
59
4
Y112M-4
2CY-4.2/2.5
4.2
70
1440
2.5
9.5
59
5.5
Y132S-4
2CY-7.5/2.5
7.5
125
1440
2.5
9.5
63
7.5
Y132M-4
2CY-12/2.5
12
200
1460
2.5
9.5
63
15
Y160L-4


 相关新闻
 相关产品

泊头市抖阴下载涩泵业制造有限公司  手机:13931762407 电话:0317-8285333 传真:0317-8356252 联系人:吴经理 
邮箱:chinayoubeng@163.com 地址:河北省泊头市
网址:www.shidaicity.com Copyright 泊头市抖阴下载涩泵业制造有限公司 all Rights Reserved .冀ICP备44185942号-1
网站地图