泊头市抖阴下载涩泵业有限公司

抖阴视频成人版污找抖阴下载涩泵业咨询电话:13931762407
热门点击:
   
公司动态 news
  KCB抖阴视频成人版污结构特点
KCB抖阴视频成人版污有齿轮,轴,泵体,安全阀,轴端密封(特殊要求,可选用磁力驱动,零泄漏结构)等组成.齿轮经热处理有较高的硬度和强度,与轴一同安装在可更换的轴套内运转.泵内全部零件的润滑均在泵.....
油泵产品列表  
抖阴视频成人版污
抖阴视频污免费在线观看下载
抖阴视频APP污网页
保温沥青泵
单螺杆泵
双螺杆泵
三螺杆泵
自吸式离心泵
渣浆泵
高粘度泵
化工泵
船用泵
磁力泵
渣油泵系列
 
 
产品中心 当前位置 > 抖阴下载涩泵业 > 产品展示 > 高粘度泵 >
 
  • NYP高粘度泵
  • -详细参数

NYP型高粘度泵优点
输送液体平稳,无脉动,振动小,噪音低.很强的自吸性能.正确选用零件材料,可输送多种有腐蚀性的介质,使用温度可200℃.泵的转速与流量呈线性函数关系,可适当改变转还来改变泵的流量.
特别适用高粘度稠度介质的输送.
NYP高粘度泵(NYP转子泵)产品说明:
特别适用高粘度稠度介质的输送,广泛应用于各种流体的输送行业,尤其对于处理粘度变化较大,范围较宽的流体输送.
有普通铸铁材质和不锈钢材质两种.
泵头部,泵壳体,密封腔部分均可以带保温夹套,根据实际需要选择需要保温的位置.
夹套与泵体铸造成一体,保温效果良好,能够避免焊接夹套产生的各种问题.
需加热时:通过热蒸汽,导热油等各种热媒通入夹套腔即可进行保温.
需冷却时:通过各种冷却液,可以保持泵体的恒温.
间隙可调:泵可以根据粘度的需要,无需拆泵即可调节齿轮间隙,达到泵在不同黏度下的工艺要求,整体轴承箱第二大优势就是,只需转动轴承箱即可实现间隙的调整,操作简单,不需拆卸泵的任何部件.        
外转子带动内转子同向转动,磨损小,使用寿命长.
应用行业:适用于输送纯净且有一定粘度的流体,可用于输送油品如润滑油,原油等,也可以用来输送糖蜜,聚氨酯,黑白料,橡胶,沥青,油漆,粘合剂,染料,涂料,润滑剂,多元醇,食品,药品等不含颗粒性杂质的高粘度物料,还可用于输送PA PB PC PE PS HIPS ABS PP PET PVA等高温,高粘度聚合物熔体物料.
适用介质温度:-10℃ —200℃(NYPO.78和NYP2.3的适用温度为-10℃ —80℃).
适用介质粘度:1.0cSt—300,000cSt(NYPO.78和NYP2.3的适用粘度为1.0cSt—10,000cSt).

1、NYP高粘度泵主要有内外转子、轴、泵体、泵盖、托架、密封、轴承等组成。
2、输送液体平稳、无脉动、振动小、噪音低。高粘度泵的转速与流量呈线型函数关系,可适当改变转速来改变泵的流量。特别适用与高粘度介质的输送。轴端采用机械密封。   NYP高粘度泵在开始运转前,往NYP高粘度泵的壳体内灌满待输送的液体,便于安全启动。若环境温度低于冰点,应预先向泵内通入热蒸汽,进行预热处理,然后才可启动NYP高粘度泵。高粘度泵的旋转方向要与进、出油口相符。NYP高粘度泵若是初次运行,或长期闲置后再使用,在空载或小负荷情况下先跑合一小时左右。如果在跑合阶段预先觉察出异常温升、泄漏、振动和噪声时,应停机检查。   高粘度NYP高粘度泵的支座或法兰与其驱动电机应采用共同的安装基础,基础、法兰或支座均需具有足够的刚度,以减小NYP高粘度泵运转时产生的振动和噪声。电动机与NYP高粘度泵须用弹性联轴器连接,同轴度小于0.1毫米,倾斜角不得大于1度。安装联轴器时不得用锤敲打,以免伤害NYP高粘度泵的齿轮等零件。
NYP高粘度泵优点:
(一)有很强的自吸性能。
(二)特别适用高粘度稠度介质的输送。
(三)输送液体平稳,无脉动,振动小,噪音低。
(四)正确选用零件材料,可输送多种有腐蚀性的介质。
(五)内外转子转向相同,磨损小,使用寿命长。
(六)泵的转速与流量呈线性函数关系,可适当改变转还来改变泵的流量。

NYP不锈钢内环式高粘度泵结构图
NYP不锈钢内环式高粘度泵结构图
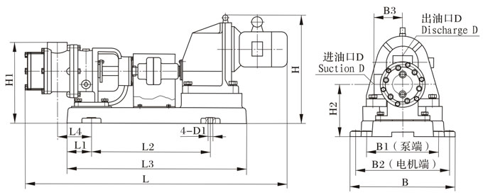
NYP不锈钢保温泵配减速电机整机安装尺寸图
NYP不锈钢保温泵配减速电机整机安装尺寸图
型号LL1L2L3L4HH1H2BB1B2B3DD1  Decelerator
型号功率KW转速r/min
NYP7.010289138459011532725316327022522590G11/2"φ20YCJ713583
455
NYP52136167576790130480355225400308340130G2"φ22YCJ1127.5228
135167576790130533355225400308340130G2"φ22YCJ1007.5303
357
143667576790130533355225400308340130G2"φ22YCJ10011475
NYP1111500154558890227585495285525385475210φ80φ22YCJ11215305
417
479
NYP72724232009501259330825935615580520520320φ150φ28YCJ31537128

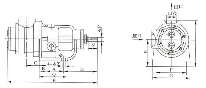
NYP7.0(A)泵头外形尺寸

NYP7.0(A)泵头外形尺寸
泵型号理论排量
L/100r
ABCDEFGHIQNPZ口径
NYP7.0A
(原NYP3A)
7.05816991473751401728817890431913G11/2"


NYP24,NYP80,NYP111(A),NYP727泵头外形尺寸

NYP24,NYP80,NYP111(A),NYP727泵头外形尺寸


型号理论排量
L/100r  
ABCDEFGHIJKLNPQSZ
NYP242412030941965182002401603205012516557301804-φ1818
NYP808017027.5138.5183.55922202551803908016020075422258-φ1815
NYP111
(原NYP30A)
111170251421886162202551803908016020058402258-φ1815
NYP111
(原NYP30A)
1113403031986882202802204308016020075424208-φ1820
NYP32032034035120.5268849330400260520125210250120654108-φ1822
NYP727
(原NYP50A)
727410401702601060370450360680150240285120805308-φ1822


NYP高粘度泵性能参数表:


型号

流量

压力
Mpa
吸入及排出管口径
必须汽蚀余量m
效率
%
减速方式

m3/h

I/min

功率
KW
转速
r/min
减速机
NYP3/1.0
2
33.3
1.0
Rp11/2
5
45
3
587
YCJ71

NYP10/1.0

6
100

1.3

Rp2

45
7.5
228
YCJ112
8
133.3
1.0
Rp2
45
7.5
303
YCJ100
10
166.7
Rp2
51
7.5
357
YCJ100
12
200
Rp2
54
7.5
475
YCJ100

NYP30/1.0

18
300
¢80
54
15
305
YCJ112
22
366.7
¢80
58
15
359
YCJ112
28
466.7
¢80
65
15
479
YCJ112
NYP50/1.0
50
833.3
¢150
52
37
128
YCJ315
80
1333.3
¢150
58
45
208
YCJ355
100
1666.6
¢150
65
55
253
YCJ355
NYP3/1.0
1.5
25
Rp11/2
43
3
480

皮带轮传动

2
33.3
Rp11/2
43
3
640
NYP10/1.0
8
133.3
Rp2
43
7.5
303
10
166.7
Rp2
49
7.5
357
12
200
Rp2
51
7.5
475
NYP3/1.0
3
50
1
Rp11/2

55
3
960

Y132S-6

与电机直联

密封方式:用户需要



 相关新闻
 相关产品
上一篇:NYP皮带传动高粘度泵
NYP高粘度泵-树脂泵 下一篇:

泊头市抖阴下载涩泵业制造有限公司  手机:13931762407 电话:0317-8285333 传真:0317-8356252 联系人:吴经理 
邮箱:chinayoubeng@163.com 地址:河北省泊头市
网址:www.shidaicity.com Copyright 泊头市抖阴下载涩泵业制造有限公司 all Rights Reserved .冀ICP备44185942号-1
网站地图